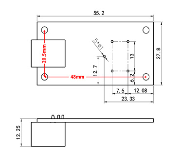
气体传感器模组(TTL型)

产品型号:SN-*-*-TTL-MZ-*

气体传感器模组SN-*-*-TTL-MZ-*是我公司自主研发的一款检测环境气体浓度的通用型、小型化模组,用于检测空气环境中的气体浓度参数。

功能特点:

(1). 采用一线大品牌电化学传感器,具有反应迅速灵敏、抗干扰能力强的特点,

(2). 经过我司独有的补偿算法、多段标准气体标定,具有长寿命、高精度、高重复性和高稳定性的特点。

(3). 采用4.5~5.5VDC直流供电,TTL信号输出,可选配0~3V模拟量输出。


供电电源

4.5~5.5 DC

平均功耗

0.3W(5VDC)

输出信号

TTL串口输出、0~3V模拟量输出(选配)

重复性

NH3/H2/CO(1000ppm)/H2S/CH4/NO2/SO2/O3/PH3:≤2%

CO(2000ppm) :≤3%     O2:≤1%

稳定性

CO(1000ppm)/H2S/H2/NO2/SO2/NH3/PH3

≤2%信号值/月

CH4/O3

≤7%信号值/年

CO(2000ppm)/O2

≤5%信号值/年

工作温度

H2/CO/H2S/CH4/NO2/SO2/O2/NH3/PH3:-20~50℃

O3:-20~50℃

工作湿度

NH3/H2/CO/H2S/NO2/SO2/O3/PH3:15~90%RH 无冷凝

O2:5~95%RH 无冷凝      CH4:0~95%RH 无冷凝

工作压力

NH3/H2/CO(1000ppm)/H2S/SO2/O2/O3/PH3

90~110Kpa

NO2

91~111Kpa

CH4

80~116Kpa

CO(2000ppm)

80~120Kpa

预热时间

NH3/H2/CO/H2S/CH4/NO2/SO2/O3/O2/PH3: ≥5分钟

以上所有规格参数均在环境条件:温度20℃、相对湿度50%RH、1个大气压,待测气体浓度最大不超过传感器量程的环境下测得。


联系销售/售后技术